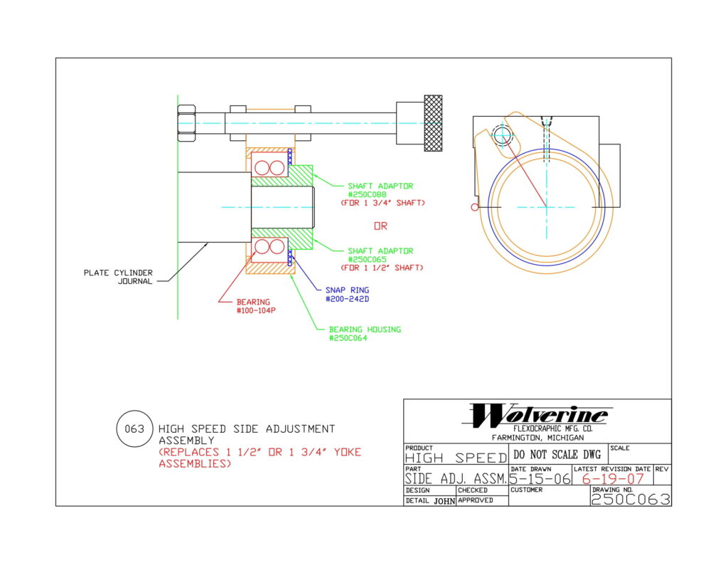
HIGH SPEED YOKES

250C063-Model

Technical Inquiries

Discuss line requirements, integration specifications, or service needs with our engineering team.